Khi tủ lạnh gặp các vấn đề như không lạnh, chạy liên tục hoặc block không hoạt động, nhiều người bắt đầu tìm đến sơ đồ mạch điện tủ lạnh với hy vọng hiểu được nguyên nhân. Tuy nhiên, không ít trường hợp xem được sơ đồ nhưng lại không biết đọc, hoặc không chắc mình đang tra cứu đúng loại mạch điện cho chiếc tủ lạnh đang sử dụng.
Bài viết này sẽ giúp bạn hiểu rõ sơ đồ mạch điện tủ lạnh từ A–Z, theo cách đơn giản, dễ tra cứu và dễ áp dụng cho người mới. Dù bạn chỉ muốn tìm hiểu kiến thức cơ bản hay cần xem nhanh để nắm vấn đề, nội dung bên dưới sẽ dẫn dắt bạn từng bước một cách logic và rõ ràng.
Sơ đồ mạch điện tủ lạnh là gì?
Sơ đồ mạch điện tủ lạnh là bản vẽ kỹ thuật thể hiện toàn bộ đường đi của dòng điện bên trong tủ lạnh, bắt đầu từ nguồn điện cấp vào và kết thúc ở các linh kiện tạo ra quá trình làm lạnh. Thông qua sơ đồ này, người xem có thể biết điện được dẫn qua những bộ phận nào, linh kiện nào đóng vai trò điều khiển và linh kiện nào trực tiếp tham gia làm lạnh như block (máy nén), quạt, bộ xả đá hay bo mạch điều khiển.
Hiểu theo cách đơn giản và dễ hình dung hơn, nếu coi tủ lạnh là một cơ thể sống, thì sơ đồ mạch điện chính là bản đồ của hệ thần kinh và mạch máu. Nhờ “bản đồ” này, dòng điện được phân phối đúng vị trí, đúng thời điểm để các bộ phận trong tủ lạnh phối hợp hoạt động nhịp nhàng và ổn định.
Vai trò của sơ đồ mạch điện tủ lạnh
- Giúp hiểu rõ nguyên lý hoạt động của tủ lạnh: Sơ đồ mạch điện tủ lạnh cho phép người dùng nhìn thấy các dòng điện được cấp và phân phối đến từng linh kiện. Nhờ đó, bạn hiểu vì sao block hoạt động, khi nào quạt chạy và lúc nào mạch điện tự ngắt để duy trì nhiệt độ ổn định.
- Hỗ trợ tra cứu và xác định nguyên nhân khi tủ lạnh gặp sự cố: Khi tủ lạnh không lạnh, không chạy hoặc chạy liên tục, việc đối chiếu với sơ đồ mạch điện giúp bạn khoanh vùng nhanh khu vực có khả năng xảy ra lỗi, thay vì phỏng đoán hoặc kiểm tra tràn lan.
- Là nền tảng cho việc kiểm tra và sửa chữa đúng chỗ, đúng cách: Sơ đồ mạch điện đóng vai trò như “bản hướng dẫn” để quá trình kiểm tra linh kiện và đường dây điện diễn ra logic, hạn chế thay nhầm bộ phận và giảm rủi ro hư hỏng phát sinh.
- Giúp người dùng chủ động và tránh tốn chi phí không cần thiết: Ngay cả khi không trực tiếp sửa tủ lạnh, việc hiểu sơ đồ mạch điện vẫn giúp bạn đánh giá vấn đề chính xác hơn, trao đổi rõ ràng với thợ kỹ thuật và tránh bị báo sai lỗi hoặc sửa chữa không cần thiết.
Nguyên lý hoạt động tổng quát của mạch điện tủ lạnh
Để hiểu sơ đồ mạch điện tủ lạnh, trước hết bạn cần nắm được nguyên lý hoạt động tổng quát của mạch điện. Thực chất, mạch điện tủ lạnh không quá phức tạp nếu nhìn theo dòng chảy của điện năng thay vì tập trung vào từng ký hiệu kỹ thuật. Khi hiểu được điện đi từ đâu, qua đâu và kết thúc ở đâu, việc đọc sơ đồ sẽ trở nên dễ dàng và logic hơn rất nhiều.
Dòng điện đi như thế nào trong tủ lạnh?
Hãy hình dung dòng điện trong tủ lạnh giống như một dòng chảy có kiểm soát, chỉ hoạt động khi có “lệnh” và sẽ dừng lại khi đạt đủ điều kiện. Trình tự cơ bản của dòng điện trong mạch điện tủ lạnh diễn ra như sau:
Nguồn điện → bộ điều khiển → linh kiện trung gian → block (máy nén) → các bộ phận hỗ trợ
Cụ thể hơn, quá trình này được diễn giải theo từng bước rõ ràng:
Điện từ ổ cắm đi vào tủ lạnh: Khi bạn cắm điện, nguồn điện xoay chiều từ bên ngoài được đưa vào mạch điện bên trong tủ lạnh. Đây là điểm bắt đầu của toàn bộ hệ thống.
Dòng điện đi qua bộ điều khiển nhiệt: Tùy loại tủ lạnh, dòng điện sẽ đi qua thermostat (ở tủ lạnh cơ) hoặc bo mạch điều khiển (ở tủ lạnh inverter). Bộ phận này đóng vai trò “bộ não”, quyết định khi nào cho điện đi tiếp và khi nào ngắt điện dựa trên nhiệt độ bên trong tủ.
Kích hoạt các linh kiện trung gian: Khi điều kiện nhiệt độ chưa đạt yêu cầu, dòng điện tiếp tục đi qua các linh kiện trung gian như rơ-le, timer hoặc cảm biến. Các linh kiện này đảm bảo block khởi động đúng thời điểm và an toàn.
Cấp điện cho block và hệ thống làm lạnh: Khi block nhận điện, quá trình làm lạnh bắt đầu. Đồng thời, quạt và các bộ phận hỗ trợ khác cũng hoạt động để phân phối hơi lạnh đều khắp tủ.
Ngắt mạch khi đạt nhiệt độ cài đặt: Khi nhiệt độ bên trong tủ đạt mức mong muốn, bộ điều khiển sẽ ngắt dòng điện, khiến block và một số linh kiện dừng hoạt động. Tủ lạnh chuyển sang trạng thái chờ cho đến khi nhiệt độ tăng trở lại.
Vai trò của từng nhóm linh kiện trong mạch điện tủ lạnh
Trong sơ đồ mạch điện tủ lạnh, các linh kiện không hoạt động riêng lẻ mà được chia thành từng nhóm chức năng rõ ràng. Việc hiểu vai trò của từng nhóm giúp bạn đọc sơ đồ theo logic, xác định nhanh khu vực liên quan khi tra cứu, thay vì nhìn toàn bộ mạch điện như một hệ thống dây phức tạp.
- Nhóm linh kiện điều khiển: Có nhiệm vụ bật/tắt và duy trì nhiệt độ bên trong tủ lạnh. Nhóm này quyết định thời điểm cấp điện hoặc ngắt điện cho block dựa trên nhiệt độ thực tế, giúp tủ lạnh hoạt động ổn định và tiết kiệm điện.
- Nhóm linh kiện công suất: Đảm nhận chức năng tạo lạnh và phân phối hơi lạnh. Khi nhận tín hiệu từ nhóm điều khiển, các linh kiện công suất như block và quạt sẽ hoạt động để làm lạnh và duy trì môi trường nhiệt độ phù hợp cho thực phẩm.
- Nhóm linh kiện bảo vệ: Giữ vai trò đảm bảo an toàn cho hệ thống điện và các linh kiện quan trọng. Nhóm này sẽ tự động ngắt mạch khi xảy ra quá tải hoặc sự cố điện, hạn chế hư hỏng nặng và rủi ro mất an toàn trong quá trình sử dụng.
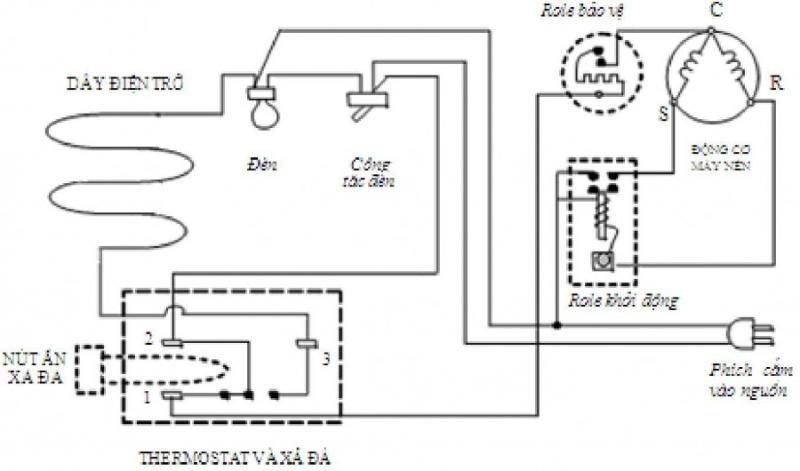
Các linh kiện chính trong sơ đồ mạch điện tủ lạnh
Trong sơ đồ mạch điện tủ lạnh, mỗi linh kiện đều giữ một vai trò nhất định và được bố trí theo trình tự logic của dòng điện. Khi nắm được chức năng cơ bản của từng linh kiện, bạn sẽ đọc sơ đồ dễ hơn rất nhiều và không còn cảm giác rối khi nhìn vào các đường dây chằng chịt.
Block (máy nén)
Block được xem là “trái tim” của tủ lạnh, vì đây là bộ phận trực tiếp tạo ra quá trình làm lạnh. Nhiệm vụ chính của block là nén gas lạnh, từ đó tạo ra chênh lệch áp suất để sinh ra nhiệt độ thấp bên trong tủ.
Trên sơ đồ mạch điện tủ lạnh, block thường:
- Nằm ở cuối mạch điện
- Chỉ nhận điện sau khi các bộ điều khiển cho phép hoạt động
- Là linh kiện tiêu thụ điện nhiều nhất
Nếu block không hoạt động, tủ lạnh gần như không thể làm lạnh, dù các bộ phận khác vẫn có thể còn chạy.
Rơ-le khởi động
Rơ-le khởi động có nhiệm vụ giúp block khởi động đúng cách và đúng thời điểm. Khi tủ lạnh vừa được cấp điện, rơ-le sẽ hỗ trợ block vượt qua giai đoạn khởi động ban đầu, sau đó tự ngắt để block hoạt động ổn định.
Trong thực tế:
- Nếu rơ-le hỏng, block sẽ không chạy dù vẫn có điện
- Đây là lỗi rất phổ biến và thường khiến người dùng nhầm lẫn với hỏng block
Trên sơ đồ mạch điện, rơ-le thường được vẽ liền kề hoặc đi kèm block, vì hai linh kiện này hoạt động chặt chẽ với nhau.
Thermostat (bộ điều chỉnh nhiệt)
Thermostat là linh kiện giữ vai trò đóng và ngắt dòng điện theo nhiệt độ bên trong tủ lạnh. Khi nhiệt độ tăng cao, thermostat cho phép dòng điện đi qua để block hoạt động. Khi đạt đủ độ lạnh, thermostat sẽ ngắt điện để block dừng lại.
Đặc điểm nổi bật:
- Xuất hiện rất phổ biến trên sơ đồ mạch điện tủ lạnh cơ
- Hoạt động hoàn toàn dựa trên nguyên lý cơ học và nhiệt độ
- Quyết định chu kỳ chạy – nghỉ của block
Nếu thermostat gặp sự cố, tủ lạnh có thể không chạy hoặc chạy liên tục.
Timer xả đá
Timer xả đá có nhiệm vụ điều khiển chu kỳ xả tuyết trong ngăn đá, giúp tủ lạnh không bị đóng tuyết dày gây cản trở làm lạnh. Linh kiện này sẽ chuyển mạch giữa chế độ làm lạnh và chế độ xả đá theo thời gian định sẵn.
Timer xả đá thường xuất hiện:
- Ở tủ lạnh 2 cửa
- Tủ lạnh có ngăn đá lớn
- Các dòng tủ không dùng bo mạch điện tử hiện đại
Trên sơ đồ mạch điện tủ lạnh, timer thường nằm ở nhánh riêng, kết nối với block, quạt và điện trở xả đá.
Quạt dàn lạnh
Quạt dàn lạnh có nhiệm vụ luân chuyển và phân phối hơi lạnh đều khắp tủ lạnh. Dù block tạo ra hơi lạnh, nhưng nếu quạt không hoạt động, khí lạnh sẽ không lan tỏa hiệu quả đến các ngăn chứa thực phẩm.
Trong sơ đồ mạch điện:
- Quạt dàn lạnh thường đi kèm block
- Có thể liên kết với mạch xả đá
- Hoạt động đồng thời hoặc theo chu kỳ nhất định
Quạt hỏng thường dẫn đến tình trạng ngăn đá lạnh nhưng ngăn mát không lạnh.
Cách đọc sơ đồ mạch điện tủ lạnh cho người mới
Đây là phần quan trọng nhất đối với người mới, bởi chỉ cần đọc đúng cách, bạn sẽ thấy sơ đồ mạch điện tủ lạnh không hề phức tạp như tưởng tượng. Thay vì cố nhớ từng ký hiệu hay linh kiện, hãy tiếp cận sơ đồ theo trình tự dòng điện và logic hoạt động.
Bước 1: Nhận biết các ký hiệu cơ bản
Khi mới nhìn vào sơ đồ mạch điện tủ lạnh, điều đầu tiên bạn cần làm không phải là phân tích ngay, mà là nhận diện các ký hiệu chính. Trên hầu hết các sơ đồ, đường thẳng biểu thị dây dẫn điện, hình chữ nhật hoặc hình khối đại diện cho các linh kiện, còn ký hiệu nguồn điện chính là điểm bắt đầu của toàn bộ mạch.
Bước 2: Lần theo dòng điện trên sơ đồ
Sau khi nhận diện các thành phần chính, hãy bắt đầu đọc sơ đồ từ nguồn điện vào, giống như theo dõi một dòng chảy. Từ điểm nguồn, bạn lần theo các đường dây để xem dòng điện đi qua những linh kiện nào, chia thành những nhánh mạch nào và kết thúc ở đâu.
Bước 3: Tránh những lỗi người mới hay gặp
Một lỗi phổ biến là đọc ngược chiều dòng điện, khiến việc phân tích trở nên sai lệch ngay từ đầu. Ngoài ra, nhiều người mới thường nhầm lẫn giữa mạch điều khiển và mạch công suất, dẫn đến hiểu sai vai trò của từng linh kiện trên sơ đồ.
Một sai lầm khác là tìm lỗi khi chưa hiểu nguyên lý hoạt động tổng thể. Khi chưa nắm được vì sao mạch điện hoạt động theo trình tự đó, việc soi từng linh kiện riêng lẻ sẽ rất dễ gây nhầm lẫn và mất thời gian.
Phân loại sơ đồ mạch điện tủ lạnh phổ biến hiện nay
Trước khi đọc hoặc tra cứu sơ đồ mạch điện tủ lạnh, việc xác định đúng loại sơ đồ là bước cực kỳ quan trọng. Trên thực tế, rất nhiều người đọc sơ đồ sai không phải vì thiếu kiến thức, mà vì áp nhầm sơ đồ của loại tủ khác, dẫn đến hiểu sai nguyên lý hoặc chẩn đoán sai vấn đề.
Sơ đồ mạch điện tủ lạnh cơ
Sơ đồ mạch điện tủ lạnh cơ là loại đơn giản và dễ tiếp cận nhất, thường xuất hiện trên các dòng tủ lạnh truyền thống. Cấu tạo mạch điện chủ yếu dựa trên các linh kiện cơ học như thermostat, rơ-le, timer, không sử dụng bo mạch điện tử phức tạp.
Đặc điểm nổi bật của sơ đồ mạch điện tủ lạnh cơ là ít linh kiện điện tử, đường mạch rõ ràng và logic. Nhờ đó, sơ đồ này rất dễ đọc, dễ tra cứu, đặc biệt phù hợp với người mới tìm hiểu hoặc người cần xem nhanh nguyên lý hoạt động cơ bản của tủ lạnh.
Sơ đồ mạch điện tủ lạnh inverter
Sơ đồ mạch điện tủ lạnh inverter có cấu trúc phức tạp hơn do sử dụng bo mạch điều khiển điện tử. Thay vì thermostat cơ, loại tủ này dùng cảm biến nhiệt để đo và truyền tín hiệu về bo mạch, từ đó điều khiển block hoạt động linh hoạt.
Trên sơ đồ, bạn sẽ thấy nhiều nhánh mạch liên quan đến bo mạch, cảm biến và mạch công suất. Dù khó đọc hơn so với mạch cơ, sơ đồ mạch điện tủ lạnh inverter lại thể hiện rõ ưu điểm tiết kiệm điện, vận hành êm và ổn định, nhờ khả năng điều chỉnh công suất block theo nhu cầu thực tế.
Sơ đồ mạch điện tủ lạnh 1 cửa – 2 cửa
Ngoài việc phân loại theo công nghệ, sơ đồ mạch điện tủ lạnh còn được chia theo kiểu thiết kế tủ. Với tủ lạnh 1 cửa, sơ đồ thường khá gọn, ít nhánh mạch và hệ thống xả đá đơn giản hoặc không có.
Trong khi đó, tủ lạnh 2 cửa thường có:
- Quạt riêng cho từng khu vực làm lạnh
- Mạch xả đá riêng cho ngăn đông
- Nhiều linh kiện phối hợp hơn trong sơ đồ
Chính vì vậy, khi tra cứu sơ đồ mạch điện, bạn luôn cần xác định rõ tủ lạnh của mình là 1 cửa hay 2 cửa, tránh áp nhầm sơ đồ khiến việc đọc và phân tích trở nên sai lệch.
Việc phân loại đúng sơ đồ mạch điện tủ lạnh cơ – inverter – 1 cửa – 2 cửa giúp bạn đọc sơ đồ nhanh hơn, chính xác hơn và tránh một lỗi rất phổ biến khi tìm thông tin online: xem đúng sơ đồ nhưng áp dụng cho sai loại tủ.
Ứng dụng sơ đồ mạch điện tủ lạnh trong thực tế
Hiểu sơ đồ mạch điện tủ lạnh không chỉ để học lý thuyết, mà còn giúp bạn ứng dụng trực tiếp khi tủ lạnh gặp sự cố. Ngay cả khi không có ý định tự sửa chữa, việc biết cách nhìn sơ đồ vẫn giúp bạn xác định đúng hướng vấn đề, tránh đoán mò hoặc xử lý sai nguyên nhân.
Khi tủ lạnh không lạnh
Trong trường hợp tủ lạnh không lạnh, sơ đồ mạch điện đóng vai trò như một bản đồ định hướng kiểm tra. Trước hết, bạn có thể dựa vào sơ đồ để xác định block (máy nén) có được cấp điện hay không. Nếu dòng điện không tới block, khả năng cao lỗi nằm ở mạch điều khiển chứ không phải ở máy nén.
Tiếp theo, sơ đồ giúp bạn kiểm tra mạch điều khiển nhiệt, bao gồm thermostat hoặc cảm biến nhiệt và bo mạch. Nhờ đó, bạn sẽ hiểu rõ vì sao có trường hợp quạt vẫn chạy nhưng block không hoạt động – một tình huống rất phổ biến khiến nhiều người lầm tưởng block đã hỏng.
Khi tủ lạnh chạy liên tục
Với hiện tượng tủ lạnh chạy liên tục không ngắt, sơ đồ mạch điện giúp bạn xác định nhanh vị trí của thermostat hoặc cảm biến nhiệt trong mạch. Đây là những linh kiện trực tiếp quyết định việc đóng – ngắt dòng điện cho block.
Ngoài ra, bạn có thể dựa vào sơ đồ để kiểm tra mạch ngắt điện, xem liệu mạch có đang hoạt động đúng chức năng hay không. Nếu mạch không ngắt khi đã đủ lạnh, block sẽ tiếp tục chạy, gây hao điện và giảm tuổi thọ thiết bị.
Lưu ý khi thao tác với sơ đồ mạch điện tủ lạnh
Khi tìm hiểu hoặc tra cứu sơ đồ mạch điện tủ lạnh, yếu tố an toàn luôn phải được đặt lên hàng đầu. Điện dân dụng trong tủ lạnh tuy không quá phức tạp nhưng vẫn tiềm ẩn nhiều rủi ro nếu thao tác sai cách. Vì vậy, đừng vì tò mò hoặc muốn kiểm tra nhanh mà tự ý tháo lắp khi chưa có đủ kiến thức và chuẩn bị cần thiết.
Luôn rút và ngắt hoàn toàn nguồn điện trước khi kiểm tra: Trước khi quan sát linh kiện hay đối chiếu với sơ đồ mạch điện, bạn cần đảm bảo tủ lạnh đã được ngắt điện hoàn toàn. Đây là bước cơ bản nhưng rất quan trọng để tránh nguy cơ giật điện hoặc chập mạch.
Sử dụng dụng cụ bảo hộ và thiết bị đo phù hợp: Khi thao tác, nên dùng găng tay cách điện và đồng hồ đo để kiểm tra tình trạng mạch. Việc sử dụng đúng dụng cụ không chỉ giúp thao tác an toàn hơn mà còn hạn chế làm hỏng linh kiện trong quá trình kiểm tra.
Tham khảo đúng sơ đồ mạch điện theo model tủ lạnh: Mỗi loại tủ lạnh có cấu trúc mạch điện khác nhau. Việc xem nhầm sơ đồ, đặc biệt giữa tủ cơ và inverter hoặc giữa tủ 1 cửa và 2 cửa, có thể dẫn đến hiểu sai và thao tác không chính xác.
Khi không chắc chắn, hãy ưu tiên gọi thợ kỹ thuật: Nếu bạn cảm thấy chưa đủ tự tin hoặc không hiểu rõ sơ đồ mạch điện, tốt nhất nên nhờ đến thợ chuyên môn. Điều này giúp đảm bảo an toàn và tránh phát sinh thêm hư hỏng không cần thiết.
Qua toàn bộ nội dung trên, có thể thấy sơ đồ mạch điện tủ lạnh không hề khô khan hay quá khó hiểu nếu bạn tiếp cận đúng cách. Khi nắm được khái niệm, vai trò, nguyên lý hoạt động, cách phân loại và cách đọc sơ đồ theo dòng điện, bạn sẽ nhìn mạch điện như một hệ thống logic rõ ràng thay vì một “mớ dây điện” phức tạp.
Quan trọng hơn, việc hiểu sơ đồ mạch điện tủ lạnh giúp bạn chủ động hơn trong quá trình sử dụng và tra cứu thông tin. Dù bạn không trực tiếp sửa chữa, bạn vẫn có thể xác định được vấn đề đang nằm ở mạch điều khiển, linh kiện công suất hay hệ thống bảo vệ, từ đó trao đổi chính xác hơn với thợ kỹ thuật và tránh những chi phí không cần thiết.










